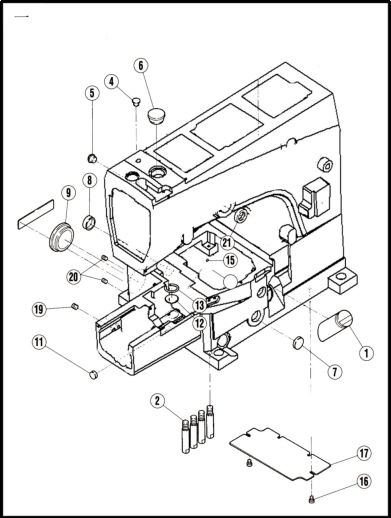
| 操作 (operation) |
数量 (quantity) |
零件编号 (number) |
零件品号 (Product number) |
零件名称 (Product name) |
|---|---|---|---|---|
| 1 | BF31016206590 | 油标 | ||
| 2 | BF31016250117 | 支柱螺钉 | ||
| 4 | BF31016240052 | 油封 | ||
| 5 | BF31016240052 | 油封 | ||
| 6 | BF31016240110 | 油封 | ||
| 7 | BF32026210003 | 油封(内骨架 | ||
| 8 | BF32026209084 | 油封(内骨架 | ||
| 9 | BF31016240226 | 油封 | ||
| 11 | PF1790S0132 | 橡皮塞 | ||
| 12 | BF31016124 | 丝网 | ||
| 13 | BF31016240001 | 滤油网卡簧 | ||
| 15 | BF31016207358 | 油点 | ||
| 16 | BF320267017 | 螺钉 | ||
| 17 | BF31016250020 | 板 | ||
| 19 | PF1900A0704 | 螺钉 | ||
| 21 | BF31016210586 | 油封(朴业) |
